Применение дешифраторов
Задачи для самостоятельного решения
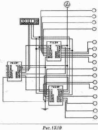
Задача 1.
Соберите схему, изображенную на рис. 13.19, микросхема 74139 - сдвоенный четырехканальный мультиплексор. Составьте таблицу функционирования схемы. К какому типу относится схема?

Задача 2.
Разработайте и соберите при помощи Electronics Workbench схему дешифратора 4х16 на основе ДВУХ базовых дешифраторов 3х8. Убедитесь в правильности его функционирования. Рассмотрите варианты использования оставшихся входов разрешения для организации режима разрешения.
Задача 3.
Разработайте и соберите по аналогии с предыдущим заданием при помощи Electronics 'Workbench схему дешифратора 5х32 на основе четырех дешифраторов 3х8. Убедитесь в I правильности его функционирования


(для формирования последнего произведения необходим элемент НЕ).
Задача 4.
Разработайте, соберите и испытайте схемы на основе базового дешифратора и элементов 2И-НЕ или 2И, реализующие заданную функцию F. На входе разрешения установить активный уровень. Варианты задач приведены ниже.

Задача 5.
Разработайте, соберите и испытайте схемы на основе дешифратора 3х8 и элемента И-НЕ, реализующие заданную функцию F. Один из входов разрешения использовать для подачи аргумента одного из сигналов. Варианты задач приведены ниже.

Задача 6.
Разработайте, соберите и испытайте схемы на основе дешифратора, формирующие нули на указанных выходах при следующих комбинациях логических уровней на входах, заданных шестнадцатеричными числами:
Выходы
№ вар.
YO
Y1
Y2
Y3
Y4
Y8
Y6
Y7
1
0...7
8...F
10...17
18...IF
20...27
28...2F
30...37
38...3F
2
0,2,4,6
1,3,5,7
8,А,С,Е
9,B,D,F
10,12, 14,16
11,13, 15,17
18,1А, 1С.1Е
19,1В, 1D.1F
3
0,4,8,С
1,5,9,D
2,6,А,Е
3,7,B,F
10,14, 18.1С
11.15, 19.1D
12.16, 1А.1Е
13,17, 1B, IF
4
0,8, 10,18
1,9, 11,19
2.А. 12,1А
3.B, 13,1В
4.С, 14.1С
5.D, 15,ID
6,Е, 16,1Е
7,F, 17,IF