Эквивалентные преобразования двухполюсников
Методические указания
В упражнениях рассмотрены подробные решения четырех типовых задач и приведены варианты подобных задач для самостоятельного решения. Методика решения таких задач сводится к многократному применению простейших эквивалентных преобразований, рассмотренных в разделе 3.1. Проверка решения может проводиться по отдельным шагам путем построения промежуточных схем замещения в Electronics Workbench. Во всех задачах требуется сопоставление аналитических расчетов с экспериментальными данными, полученными в Electronics Workbench, при этом для измерений используются простые приборы (амперметры, вольтметры, мультиметр в режиме омметра), позволяющие проводить прямые измерения. Задача 1. Расчет схем по закону Ома для полной цепи
Задание: 1. Для схемы на рис. 3.9 рассчитайте ток в цепи. 2. Откройте файл c3_llS.ca4 (рис. 3.9). Проверьте правильность расчета по показанию амперметра в схеме.

Расчет Расчет тока

Расчетное значение
I=(13+7)/5=4
Экспериментальная проверка результатов расчета
Как видно из показании амперметра на рис. 3.10, расчетное и экспериментальное значения совпадают: экспериментальное значение 1=4.0 А
В различных вариантах задач неизвестными могут быть ЭДС Е, сопротивление R или внешнее напряжение Uab. При этом для экспериментальной проверки используется мультиметр в режиме омметра и вольтметр.

Задача 2. Преобразование пассивного двухполюсника
Задание: 1. Для схемы на рис. 3.11 (файл c3_041S.ca4) рассчитайте эквивалентное сопротивление относительно зажимов А и В. 2. Измерьте с помощью приборов эквивалентное сопротивление схемы относительно зажимов А и В.

Расчет Задача решается путем многократного повторения двух элементарных преобразований: свертки последовательного и параллельного соединения двух резисторов. Используем для вычисления программу комплексного калькулятора. Вы можете открыть файл с примером расчета c3_041S.cc и проследить за вычислениями, проходя по строкам программы расчета. Хотя вычисления, необходимые для решения данной задачи, достаточно просты и возможности программы в данном случае избыточны, полезно освоить основные приемы, начиная именно с простых вычислений, чтобы в дальнейшем использовать программу и при расчетах на переменном токе. Мы будем приводить текст программы, соответствующий каждому элементарному шагу, и проверим лишь конечный результат, измерив общее сопротивление двухполюсника в программе Electronics Workbench. Однако, если в результате обнаружится несоответствие, то можно провести измерение сопротивления и после каждого шага, чтобы найти ошибку. По ходу решения мы будем делать некоторые замечания по методике составления программы расчета на Conical. 1. Формулировка условия и ввод исходных данных

Имена постоянных и переменных в программе Comcal должны начинаться со строчной буквы, поскольку прописные буквы зарезервированы для имен функций и операций. Строка в программе комплексного калькулятора, начинающаяся с !, означает комментарий. Запись программы начинается с записи исходных данных, которые вводятся с помощью операции присвоения. После того, как написаны приведенные выше строки, мы можем с помощью клавиши Enter дойти до конца этого фрагмента. При нажатии на клавишу подсвечивается следующая строка и осуществляются вычисления предыдущей строки (если это не пустая строка и не комментарий). Если мы, нажав пять раз Enter, дойдем до строки R2-7, то в нижней строке экрана появится результат операции присвоения, выполненной на предыдущей строке. Это состояние отражено на рис. 3.12.

В графе Real (Действительная часть) мы видим значение сопротивления R1, равное 5.0000000 Е+00. Это число 5, записанное в форме с фиксированной десятичной запятой (или точкой), что соответствует записи 5.0000000 Ю+00. В дальнейшем результат из графы Real мы будем записывать в колонке "Результат расчета " прямо в строке с операцией в тексте программы Comcal, как это сделано выше. 1 2. Преобразование сопротивлений R2, R3

Пройдя строку R23= R2+R3, можно будет прочитать в графе Real результат этой операции 1. 2000000 Е+01, что соответствует 12. В результате этого шага мы преобразовали схему рис. 3.11 в схему, показанную в колонке таблицы. 3. Замена сопротивлений R23 и R4

4. Замена сопротивлении R234,R6 и R7

5. Замена сопротивлении R23467 и R5

6. Замена сопротивлений R234567 и R1

Экспериментальная проверка результатов расчета 7. Измерение сопротивления

Задача 3. Преобразование схемы с одним источником
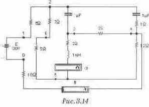
Задание: 1. Для схемы на рис. 3.14 (файл c3_071S.ca4) в установившемся режиме определите ток 1,ч. Расчет проведите методом свертки. 2. Измерьте с помощью приборов ток в источнике питания и ток I3.

Расчет 1. Исключение реактивных элементов Покажем, что реактивные элементы в установившемся режиме на постоянном токе могут быть исключены из схемы. Напряжение на всех элементах схемы (в том числе и на емкости) постоянно. Для производной напряжения на конденсаторе из компонентных уравнений следует: duc/dt = ic/C= 0, следовательно, ic = 0. Поскольку ток через конденсатор не идет, процессы в схеме не изменятся, если мы заменим емкость разрывом, исключив ее из схемы.
Токи через все элементы схемы (в том числе и через индуктивность) постоянны. Для тока через индуктивность из компонентных уравнений следует: dic/dt = UL/L= О, следовательно, UL = 0. Поскольку напряжение на индуктивности равно нулю, процессы в схеме не изменятся, если мы заменим индуктивность проводом, исключив ее из схемы. После этих замен схема приобретает вид, показанный на рис. 3.15.

2, Формулировка условия и ввод исходных данных
Текст из программы комплексного калькулятора

4. Замена сопротивлений R35, R6

5. Замена сопротивлений R1, R2, R4, R356, R7

6. Определение тока I1

7. Определение тока 13

Экспериментальная проверка результатов расчета
Схема для экспериментальной проверки результатов расчета представлена на рис. 3.16. Измеряются сразу токи I1 и 13. Экспериментальное значение тока I1 1А Экспериментальное значение тока 13 750 мА

Задача 4. Преобразование схемы с несколькими источниками
Задание: Преобразуйте схему рис. 3.17 (файл с3_131) относительно зажимов источника Е1 по методу эквивалентного генератора. Используя параметры эквивалентного генератора, рассчитайте ток источника Е1. Измерьте параметры эквивалентного генератора с помощью мультиметра и ток источника Е1 с по-. мощью амперметра и сравните результаты измерения с расчетными.

1. Формулировка условия и ввод исходных данных
Текст из программы комплексного калькулятора

3. Замена параллельных источников тока

4. Замена неидеальных источников тока J12 и J36 неидеальными источниками напряжения Е12 и Е36

5. Замена последовательного соединения сопротивлений R5, R6

6. Замена неидеального источника напряжения Е36 неидеальным источником тока J356

7. Замена параллельных сопротивлений R4 и R356

8. Замена неидеального источника тока J56 неидеальными источниками напряжения Е3456

9. Замена источников напряжения и сопротивлений в последовательном контуре

10. Измерение эквивалентного напряжения Расчетное значение Е1234567 Е123456 = -22 В Экспериментальное значение Е1234567 Е123456 =-22.0 В

11. Измерение эквивалентного сопротивления Расчетное значение 11=—0.583 А Экспериментальное значение 11= -0.583 А

12. Измерение тока источника питания II Расчетное значение 11=—0.583 А Экспериментальное значение II = -0.583 А

Задачи для самостоятельного исследования /. Проверка обобщенного закона. Ома для полной цепи
В предложенных задачах вычисления довольно просты и достаточно воспользоваться калькулятором из стандартных программ Microsoft Office для Windows. Поскольку необходимо одновременно получить результат в аналитическом виде и провести измерения в Electronics Workbench, целесообразно воспользоваться многооконным режимом работы Windows. Нa puc. 3. 28 приведено положение окон, при котором удобно проводить и анализ, и измерения. Для того, чтобы получить такой вид окна, откройте Electronics Workbench, сверните его до части экрана (щелкнув по средней кнопке в правом верхнем углу) и затем вызовите Калькулятор. Как видно из рис. 3.28, можно непосредственно наблюдать на экране результаты расчета (на табло калькулятора) и эксперимента (на табло измерительных приборов в Electronics Workbench).

Задача 1(с3_011) Для приведенной схемы определите величину ЭДС Е2, при которой показание амперметра в схеме будет равно 2.5 А. Проведите экспериментальную проверку вычисленного значения Е2.

Задача 2 (с3_012) Для приведенной схемы рассчитайте показания амперметра. Проведите экспериментальную проверку вычисленного значения тока.

Задача 3 (с3_013) Для приведенной схемы рассчитайте показания амперметра. Проведите экспериментальную проверку вычисленного значения тока.

Задача 4 (с3_014) Для приведенной схемы рассчитайте значение сопротивления R, при котором показание амперметра в схеме будет равно 2.5 А. Проведите экспериментальную проверку вычисленного значения сопротивления.

Задача 5 (с3_015) Для приведенной схемы определите величину ЭДС Е2, при которой показание амперметра в схеме будет равно 4 А. Проведите экспериментальную проверку вычисленного значения Е2.

Задача 6 (с3_016) Для приведенной схемы определите величину ЭДС Е1, при которой показание амперметра в схеме будет равно 800 мА. Проведите экспериментальную проверку вычисленного значения Е1.

Задача 7 (с3_017) Для приведенной схемы рассчитайте показания вольтметра. Проведите экспериментальную проверку вычисленного значения напряжения.

Задача 8 (с3_018) Для приведенной схемы рассчитайте показания вольтметра. Проведите экспериментальную проверку вычисленного значения напряжения.

Задача 9 (с3_019) Для приведенной схемы рассчитайте показания вольтметров VI и V2. Проведите экспериментальную проверку вычисленных значений.

Задача 10 (с3_020) Для приведенной схемы рассчитайте показания вольтметров VI и V2. Проведите экспериментальную проверку вычисленных значений.

Задача 11 (с3_021) Для приведенной схемы рассчитайте показания вольтметров VI и V2. Проведите экспериментальную проверку вычисленных значений.

Задача 12 (с3_022) Для приведенной схемы рассчитайте показания вольтметров VI и V2. Проведите экспериментальную проверку вычисленных значений.

Задачи с3_023...с3_040 помещены на прилагаемой к книге дискете.
В следующих задачах вычисления уже не укладываются в одно действие и целесообразно применить более сложную программу анализа, в которой можно было бы видеть ход решения. Эта программа должна быть достаточно простой и в то же время давать возможность следить за ходом решения. Предлагаемый в этом руководстве для таких расчетов калькулятор комплексных чисел Conical прост в освоении, позволяет достаточно быстро получать результат и наблюдать ход решения на экране одновременно с результатами эксперимента в Electronics Workbench в многооконном режиме работы Windows. Программа устанавливается на компьютер с прилагаемого гибкого диска (каталог Comcal). На рис. 3.39 приведено положение окон, при котором удобно проводить и анализ и измерения. Для того, чтобы получить такой вид окна откройте Electronics Workbench, сверните его до части экрана (щелкнув на средней кнопке в правом верхнем углу) и затем вызовите Conical. Как видно из рис. 3.29, можно непосредственно наблюдать на экране результаты расчета (на табло калькулятора) и эксперимента (на табло измерительных приборов в Electronics Workbench). Большим достоинством калькулятора

Comcal является возможность писать комментарии, благодаря чему его файлы можно использовать для демонстрации условий задач, открывая их одновременно с файлами Electronics Workbench. В настоящем руководстве предлагается для аналитического расчета открыть файл с расширением *.сс с гибкого диска, сохранить его на жестком диске и приспособить к своей задаче правкой, что существенно упрощает программирование. Этот файл является текстовым файлом и его можно править в любом текстовом редакторе операционной системы DOS.
Задача 1 (с3_041) Дано: R1=1 Ом; R2=1 Ом; R3=2 Ом; R4=2 Ом; R5- 8 Ом; R6-3 Ом; R7=4 Ом Определить эквивалентное сопротивление цепи. Провести экспериментальную проверку результата расчетов.

Задача 2 (с3_042) Дано: R1=3 Ом; R2=4/3 Ом; R3=2 Ом; R4=0,5 Ом; R5= 0,5 Ом; R6=2 Ом; R7=2 Ом. Определить эквивалентное сопротивление цепи. Провести экспериментальную проверку результата расчетов.

Задача 3 (с3_043) Дано: R1-6 Ом; R2-3 Ом; R3-4 Ом; R4-5 Ом; R5= 7 Ом; R6=8 Ом; R7=15 Ом Определять эквивалентное сопротивление цепи. Провести экспериментальную проверку результата расчетов.

Задача 4 (с3_044) Дано: R1=6 Ом; R2=12 Ом; R3=5 Ом; R4=6,25 Ом; R5 = 5 Ом; R6=15 Ом. Определить эквивалентное сопротивление цепи. Провести экспериментальную проверку результата расчетов.

Задача 5 (с3_045) Дано: R1=12 Ом; R2=4 Ом; R3=8 Ом; R4-2 Ом; R5= 4 Ом; R6=12 Ом; R7=3 Ом. Определить эквивалентное сопротивление цепи. Провести экспериментальную проверку результата расчетов.

Задача 6 (с3_046) Дано: R1=7 Ом; R2=2 Ом; R3=3 Ом; R4-2.33 Ом; R5= 4 Ом; R6=3 Ом; R7-5 Ом; R8=3 Ом. Определить эквивалентное сопротивление цепи. Провести экспериментальную проверку результата расчетов.

Задача 7 (с3_047) Дано: R1=10 Ом; R2=6 Ом; R3=7 Ом; R4=1 Ом; R=-16 Ом; R6=9 Ом. Определить эквивалентное сопротивление цепи. Провести экспериментальную проверку результата расчетов.

Задача 8 (с3_048) Дано: R1=3 Ом; R2=6 Ом; R3=5 Ом; R4=6 Ом; R5= 3 Ом; R6=6 Ом; R7=6 Ом; R8=9 Ом. Определить эквивалентное сопротивление цепи. Провести экспериментальную проверку результата расчетов.

Задачи с3_049... с3_070 помещены на дискету, прилагаемую к книге.
3. Задачи на свертку - развертку
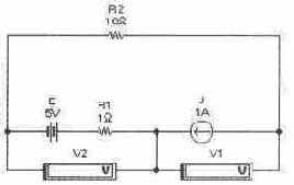
Задача 1 (с3_071) Дано: Е=5 В; R1=4 Ом; R2=2 Ом; R3=1 Ом; R4=1 Ом; С=0.5 пФ; L=1 Гн. Определить ток II методом свертки, а затем ток 13, используя выражение для делителя тока. Провести экспериментальную проверку результата расчетов.

Задача 2 (с3_072) Дано: Е=12 В; R1=4 Ом; R2=4 Ом; R3=2 Ом; R4=3 Ом; R5=12 Ом; R6=3 Ома ; С=5 мФ; L=1 Гн. Определить ток I1 методом свертки, а затем ток 13, используя выражение для делителя тока. Провести экспериментальную проверку результата расчетов.

Задача 3 (С3_073) Дано: Е=12 В; R1=3 Ом; R2=6 Ом; R3=8 Ом; R4=20м; R5=1,5 Ом; R6=10м; С1=1пФ; С2=1,5пФ;L=ЗмГн. Определить ток II методом свертки, а затем ток 13, используя выражение для делителя тока. Провести экспериментальную проверку результата расчетов.

Задача 4 (с3_074) Дано: Е=26 В; R1=10 Ом; R2-12 Ом; R3=6 Ом; R4=40M;R5=30M;R6=100M;R7=150M; C1=0,1 пФ; С2=0,2 пФ; С3=0,1 пФ; L=3 Гн. Определить ток II методом свертки, а затем ток 13, используя выражение для делителя тока. Провести экспериментальную проверку результата расчетов.

Задача 5 (с3_075) Дано: Е=20 В; R1=5 Ом; R2=5 Ом; R3=20 Ом; R4=7 Ом; R5=5 Ом; R6=8 Ом; R7=8 Ом; С1=5 пф; С2=1 пФ; L=2 мГн. Определить ток II методом свертки, а затем ток 13, используя выражение для делителя тока. Провести экспериментальную проверку результата расчетов.

Задача 6 (с3_076) Дано: Е=30 В; R1=1 Ом; R2=1 Ом; R3=2 Ом; R4=8 Ом; R5=3 Ом; R6=3 Ом; R7=2 Ом; R8=9 Ом; R9=5 Ом; С1=1 пф; С2=0,5 пф; С3=0,о пф; L=1 мГн. Определить ток I1 методом свертки", а затем ток 13, используя выражение для делителя тока. Провести экспериментальную проверку результата расчетов.

Задача 7 (с3_077) Дано: Е=27 В; R1=5,67 Ом; R2=3 Ом; R3=5 Ом; R4=5 Ом; R5=3 Ом; R6=3 Ом; R7=8 Ом; R8=4 Ом; 9=7 Ом; R10=5 Ом; С=5 пф; L1=1 мГн; L2=2 мГн. Определить ток I1 методом свертки, а затем ток 13, используя выражение для делителя тока. Провести экспериментальную проверку результата расчетов.

Задача 8 (с3_078) Дано: Е=12 В; R1=9 Ом; R2=8 Ом; R3=5 Ом; R4=4 Ом; R5=10 Ом; R6=3 Ом; R7=3 Ом; R8=10 Ом; С1=1 пф; С2=0,5 пф; С3= 2 пф. Определить ток I1 методом свертки, а затем ток I3, используя выражение для делителя тока. Провести экспериментальную проверку результата расчетов.

Задачи с3_079...с3_099 помещены на дискету, прилагаемую к книге.
4. Преобразование цепей с несколькими источниками
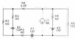
Задача 1 (с3_101) Дано: Е1=7 В; Е2=24 В; Е3=6 В; Е4=30 В; Е5=6 В; Е6=19 В; J7=2 A; R1=6 Ом; R2=12 Ом; R3=3 Ом; R4=90M;R5=60M. а) Рассчитать ток в сопротивлении R2 по методу эквивалентного генератора, б) Составить систему уравнений по законам Кирхгофа, методу контурных токов, методу узловых потенциалов, в) Для любого выбранного контура построить потенциальную диаграмму. Провести экспериментальную проверку результата расчетов.

Задача 2 (с3_102) Дано: J1=1A; Е2=7 В; ЕЗ=3 В; Е4=6 В; Е5=5 В; Е6=10 В; R2=7 Ом; R4=3 Ом; R5=1 Ом; R6=2 Ом; R7=20м. а) Рассчитать ток в сопротивлении R7 по методу эквивалентного генератора, б) Составить систему уравнений по законам Кирхгофа, методу контурных токов, методу узловых потенциалов, в) Для любого выбранного контура построить потенциальную диаграмму. Провести экспериментальную проверку результата расчетов.

Задача 3 (с3_103) Дано: J7=6A; Е2=12 В; Е3=12 В; Е5=15 В; R1=6 Ом; R2=3 Ом; R3=4 Ом; R5=5 Ом; R6=10 Ом. а) Рассчитать ток в сопротивлении R6 по методу эквивалентного генератора, б) Составить систему уравнений по законам Кирхгофа, методу контурных токов, методу узловых потенциалов, в) Для любого выбранного контура построить потенциальную диаграмму. Провести экспериментальную проверку результата расчетов.

Задача 4 (с3_104) Дано: J1=3A; E2=18 В; Е3=1 В; Е4=15 В; Е6=10 В; Е7=4 В; R2=6 Ом; R3=5,7 Ом; R4=3 Ом; R5=90м; R6=30м. а) Рассчитать ток в сопротивлении R5 по методу эквивалентного генератора, б) Составить систему уравнений по законам Кирхгофа, методу контурных токов, методу узловых потенциалов, в) Для любого выбранного контура построить потенциальную диаграмму. Провести экспериментальную проверку результата расчетов.

Задача 5 (с3_105) Дано: Е1=12 В; Е2=5 В; Е3=12 В; Е4=6 В: R1=3 Ом; R3=4 Ом; R4=6 Ом; R5=6 Ом; R6= 2 Ом. а) Рассчитать ток в сопротивлении R5 по методу эквивалентного генератора, б) Составить систему уравнений по законам Кирхгофа, методу контурных токов, методу узловых потенциалов, в) Для любого выбранного контура построить потенциальную диаграмму. Провести экспериментальную проверку результата расчетов.

Задача 6 (с3_106) Дано: Е2=2 В; Е3=12 В; Е4=15 В; Е5=15 В; Е7=20 В; J1=10 A; R7=1 Ом; R2=2 Ом; R3-3 Ом; R5=5 Ом; R6=100M;R8=2,30M. а) Рассчитать ток в сопротивлении R8 по методу эквивалентного генератора, б) Составить систему уравнении по законам Кирхгофа, методу контурных токов, методу узловых потенциалов, в) Для любого выбранного контура построить потенциальную диаграмму. Провести экспериментальную проверку результата расчетов.

Задача 7 (с3_107) Дано: Е1=9 В; Е2=15 В; Е3=7 В; Е4=12 В; Е5=8 В; J6=1 A; R1=3 Ом; R2=3 Ом; R3=5 Ом; R4=6 Ом; R5=4 Ом. а) Рассчитать ток через сопротивление R5 по методу эквивалентного генератора, б) Составить систему уравнений по законам Кирхгофа, методу контурных токов, методу узловых потенциалов. в) Для любого выбранного контура построить потенциальную диаграмму. Провести экспериментальную проверку результата расчетов.

Задача 8 (с3_108) Дано: Е1=6 В; Е2=9 В; Е4=54 В; Е5=2 В; Еб=8 В; J7=3 A; R1=1 Ом; R2=2 Ом; R3-3 Ом; R4=6 Ом; R5=4,50M;R6=20M. а) Рассчитать ток через сопротивление R4 по методу эквивалентного генератора, б) Составить систему уравнений по законам Кирхгофа, методу контурных токов, методу узловых потенциалов. в) Для любого выбранного контура построить потенциальную диаграмму. Провести экспериментальную проверку результата расчетов.

Задачи с3_109...с3_126 помещены на дискету, прилагаемую к книге.